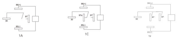
| 觸點形式 | 1A, 1C, 1U |
| 觸點材料 | AgSno2 |
| 最大額定切換電流 | 40A |
| 最大切換電壓 | 27VDC |
| 額定負載(阻性) | 1A:40A 13.5VDC 20A 27VDC 1C:NO/NC 40A/30A 13.5VDC 20A/15A 27VDC |
| 絕緣電阻 | 100MΩ |
| 介質耐壓(線圈觸點間) | 500VAC |
| 環境溫度 | -40°C~+85°C |
| 動作時間 | 10ms/10ms |
| 機械壽命(min) | 1 X106 |
| 電氣壽命 (min) | 1 X105 |
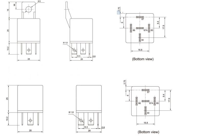
| 引出端形式 | Terminal |
| 標準型 | 額定電壓 | 動作電壓 | 釋放電壓 | 線圈電阻 | 并聯電阻 | 等效電阻 | 繼電器功耗 | 允許最大線圈電壓 | |
|
20 °C |
85 °C |
||||||||
|
12 |
8.4 |
1.2 |
90 |
- |
- |
1.6 |
20.2 |
15.7 |
|
|
12 |
8.4 |
1.2 |
80 |
680 |
79.5 |
1.8 |
20.2 |
15.7 |
|
|
24 |
16.8 |
2.4 |
360 |
- |
- |
1.6 |
40.5 |
31.5 |
|
|
24 |
16.8 |
2.4 |
320 |
2700 |
317.6 |
1.8 |
40.5 |
31.5 |
|


注解: (1)在概述維數顯示的沒有容差的情況下: 分級顯示dimension≤1mm,容差應該是±0.2mm;
概述dimension>1mm and≤5mm,容差應該是±0.3mm; 概述dimension>5mm,
容差應該是±0.4mm。
